PI5RTA at ROC Ter AA - Helmond
Receivers
Software Defined Radio receivers used at RT5RTA for WebSDR
HF band filter for 1,8 MHz (160m)
HF Ampifier10 kHz to 70 MHz with BFW16A
HF Amplifier
USB programmable oscillator with a SI-570
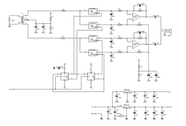
A basic SDR receiver system conncted to a soundcard needs only an
SDR converter and the SI-570 programmable oscillator.